Description
The HA01300 high current non-mercury slip ring features compact size, robust conductivity, high temperature adaptability, and environmental friendliness. It inherits the product characteristics of traditional mercury slip rings while eliminating the environmental concerns associated with mercury. The series represents a high-cost-effective solution small footprint and high-current conductivity.
Specifications
No. of poles: 1
Binding Post Size: M14
Rated Current: 300A
Working Speed: 0-300RPM
Contact Material: Precious Metal
Resistance: <1mΩ
Working Temperature: -30℃~+70℃
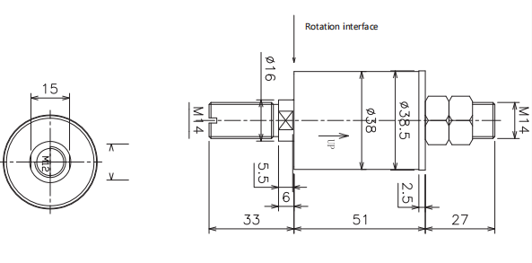
Drawing

Features
Over 80 million revolutions
M10 binding post for easy installation
Environmentally friendly, non-toxic, non-polluting
Compact size, high precision, easy to install
High reliability, stability and cost effectiveness
Main Applications
Automated machinery
Cable reels
Horizontal copper plating production lines
Rotating silver plating production lines
Rotating light boxes
Semiconductor production lines
Heated spinners
Customizable Options
Housing Material: Customize the housing material to suit specific environmental or operational requirements
Binding Post Specifications: Tailor the binding post specifications to accommodate different connection needs
Working Speed: Adjust the working speed to meet operational demands, ranging from low-speed to high-speed applications
Working Temperature: Customize the working temperature range to ensure optimal performance in varied environmental conditions, from extreme cold to high heat
