Description
Hiscience's pneumatic rotary joints independently rotate 360° to transmit single or multiple routes of gas or negative pressure vacuum. The transmission media includes compressed air and industrial inert gas. Pneumatic rotary joints are generally categorized based on the number of gas transmission channels. Hiscience's pneumatic rotary joints support 1~24 pneumatic passages, with a maximum working pressure range from -1.5 kPa to 1 MPa.
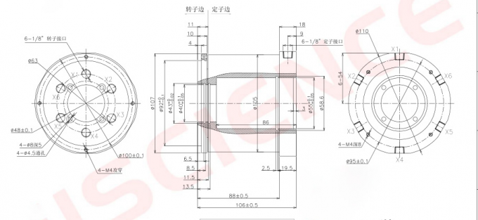
Specifications
NO. of Circuits: 6 Circuits
Connection Thread Size: G1/8”
Pressure: -100Kpa~1Mpa
Transmitting Media: Compressed Air
Roating Speed: 0~200RPM
Working Temperature: -30℃~+70℃
Drawing

Features
Minimum Starting Torque: 0.01 N.m
Rotational Torque: 5-10 times smaller than traditional pneumatic rotary joints, or more
Maximum Speed: Up to 500 RPM,Lifespan: Over 20 million rotations
Compact Design: Structurally designed to withstand vacuum pressures of up to -100 kPa
Materials: Wear-resistant, corrosion-resistant, ensuring long lifespan,Dual Protection: Ensures no air leakage
Integrated Transmission: Capable of transmitting electricity, signals, light, Ethernet, and industrial bus
Standard Interfaces: M5, G1/8"; customizable connectors and pipe sizes available as per specific requirements
Sealing Components: Easily replaceable and repairable, reducing costs without needing to purchase new products
Gas Transmission: Capable of transmitting compressed air and industrial inert gases; customization available for special gases
Main Applications
disc grinding
welding machines
industrial automation systems
packaging equipment
chip mounting machines
robotic systems
testing apparatus
lithium battery production lines
mobile phone testing facilities
high-end mobile phone assembly lines
laser systems
coating and separator machinery
packaging film equipment for soft pack
batteries
binding and laminating machines
electronic semiconductor manufacturing automation
Customizable Options
1. Working Temperature: Customizable according to customer requirements
2. Shock Resistance Level: Complies with MIL-SID-810E standards
3. Pipe Size and Port Size: Can be customized to fit specific needs
4. Pressure Range: Customizable according to application requirements
5. Integration Capability: Supports integration of multiple lines such as power lines, signal lines, industrial buses, control lines, solenoids, induction lines, etc.
6. Gas Inlet Position and Number of Circuits: Customizable based on customer specifications
7. Working Temperature: Can be customized up to 300℃ as per customer requirements
8. High Speed Capability: Customizable with speeds up to 5000 rpm as needed
9. Customization for Special Gas Properties: pneumatic rotary joints can be tailored to accommodate specific gas properties of customers.
