Description
RF slip rings, also known as high-frequency slip rings, are designed to transmit high-frequency signals, RF signals, microwave signals, analog signals, and digital signals during 360° rotation. They can also support combined transmission with electrical signals, control signals, communication signals, power supply, and fluid media. RF slip rings support transmission frequencies ranging from 500 MHz up to 50 GHz or higher. They feature a compact structure, stable performance, excellent shielding effectiveness, strong anti-interference capability, and are easy to integrate into other equipment.
Specifications
No. of Circuits: 2 channels of RF signals
Lead Wire Size: RF1.13 Coaxial Wire
Dielectric Strength: ≥400V@50HZ
Insulation Resistance: ≥500MΩ@400VDC
Dynamic Contact Resistance: ≤10MΩ
Working Speed: 0~600rpm
Protection(IP Grade): IP40
Working Temperature: -20℃~+80℃
Contact Material: Precious Metal
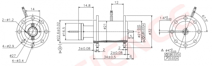
Drawing

Features
Supports 1, 2, 3, 4, 6, or 8 RF channels.
Can be combined with 1–96 circuits for power and signal transmission.
Excellent Voltage Standing Wave Ratio (VSWR) performance.
Suitable for high-capacity data transmission with no delay.
Supports high-speed transmission of ultra-high-definition video data.
Main Applications
Military radar
Shipborne satellite communication systems
Vehicle-mounted satellite communication equipment
Satellite communication vehicles
Emergency command vehicles
High-end robots
Rotating turrets on vehicles
Remote control systems, radar antennas
Medical systems
Video surveillance systems
National or international security systems
Subsea operation systems
Emergency lighting equipment
Robots
Exhibition/display equipment
Customizable Options
Up to 6 channels available (more channels can be customized).
Frequency range up to 50 GHz.
Compact structure with strong anti-interference capability.
Supports simultaneous transmission of multiple types of signals.
Ultra-low insertion loss with minimal transmission fluctuation.
Long service life and maintenance-free operation.
