Description
HST16-P04-S08-G02-J01 Industrial Bus Slip Rings are specifically designed for the transmission of various industrial bus systems, supporting protocols such as Profibus, CANBUS, CANOPEN, DeviceNET, CC-LINK, ProfiNET, and EtherCAT. It can also support mixed transmission of digital/analog video, digital audio, Gigabit Ethernet, temperature and weight sensor signals, as well as various power signals.
Specifications
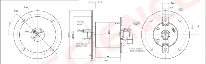
NO. of Circuits: 4/10A 2 groups of 100M network information
Voltage: 0-380VAC/VDC
Working Speed: 0-300RPM
Contact Material: Precious Metal
Lead Wire Length: Stator / Rotor: 300mm
Protection Degree: IP51
Insulation Resistance:≥500MΩ@500VDC
Drawing

Features
Supported bus types include: Profibus, CANBUS, CANOPEN, DeviceNET, CC-LINK, ProfiNET, EtherCAT, etc.
High-speed industrial bus conductive slip ring.
Excellent anti-interference capability.
Special internal shielding design.
Ensures 100% communication with no dead points.
Designed for high-speed data transmission and error-free communication protocols.
Main Applications
Robots
Industrial automation equipment
Test equipment
Exhibition/Display equipment
Packaging machinery
Turntable equipment
Amusement equipment
High-speed railway equipment
Marine & offshore equipment
Construction machinery
Wind power equipment
Customizable Options
1. Rotor and stator lead wire type and cable length can be customized.
2. Due to structural constraints, customization can be made according to specified length, height, or outer diameter.
3. Supports up to 200 circuits for power, current, or signal transmission.
4. Optional aviation connectors, terminals, and heat-shrink tubing available.
5. Supports hybrid slip rings for servo system signals, power lines, and encoder cables from systems such as Yaskawa, Panasonic, and Siemens.
6. Supports mixed high-speed data transmission (including Ethernet, USB, RS232, RS485, Profibus, CANBUS, CANOPEN, DeviceNET, CC-LINK, ProfiNET, EtherCAT, and other industrial bus systems).
7. Supports mixed transmission of temperature control signals and thermocouple signals.
8. Custom solutions available for special environments such as vibration-resistant or high-temperature conditions.
9. Can be integrated with pneumatic and hydraulic rotary unions to form combined electro-pneumatic-hydraulic slip rings.
